Ultra Cheap Solar Chargeur (not recommended)
http://www.nutzzz.com/entry/3/chargeur-solaire-de-voyage
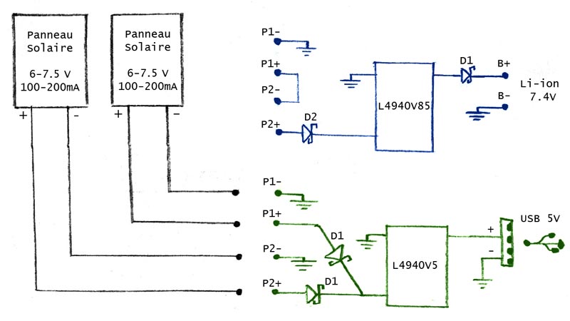
http://www.randonner-leger.org/forum/uploads/5021_chargeursolaire.jpg
http://www.coolcircuit.com/project/lipo_charger/lipo_charger.html
http://www.instructables.com/id/Solar-Powered-Raspberry-Pi/
battery switch
battery isolator
http://www.scoop.it/t/raspberry-pi/p/4014586296/2014/01/22/diy-smart-battery-isolator

The Ultimate FM Transmitter
Simple FM transmitter
The simplest FM transmitter by Tetsuo Kogawa
The simplest F.M transmitter ever made!
Another Simple FM transmitter
